Productos
Válvula de retención con brida
  • Válvula de retención con bridaVálvula de retención con brida

Válvula de retención con brida

La válvula de retención con brida es producida por GenTant, un fabricante y proveedor líder de válvulas en China. Nuestra fábrica atiende a una clientela amplia y diversa, respaldada por un sólido historial de exportación global. Hemos suministrado con éxito válvulas de alta calidad a numerosos clientes y a los principales mercados de todo el mundo, incluidas amplias exportaciones a Europa, América del Norte y Rusia. Este alcance internacional demuestra nuestra capacidad comprobada para cumplir con diversos estándares internacionales y los exigentes requisitos de proyectos de ingeniería globales, solidificando nuestra reputación como socio confiable y capaz en la industria del control de flujo.

Una válvula de retención con bridas es un dispositivo de control de flujo industrial robusto diseñado para permitir automáticamente el flujo de fluido en una dirección y evitar el flujo inverso dentro de un sistema de tuberías. Lo logra a través de un disco articulado o mecanismo oscilante que se abre bajo presión hacia adelante y se cierra por gravedad y/o presión de reflujo para crear un sello positivo. Su característica definitoria, los extremos con bridas, permiten un empernado seguro y sencillo entre las bridas de las tuberías, lo que garantiza una conexión de alta integridad y resistente a fugas, adecuada para aplicaciones de alta presión y de gran diámetro. Esta función es fundamental para proteger bombas, compresores y otros equipos clave contra daños debidos a golpes de ariete y flujo inverso, y para mantener la eficiencia y seguridad del sistema en las industrias de tratamiento de agua, generación de energía, procesamiento químico y petróleo y gas.


Característica y aplicación del producto

La válvula de retención con brida está diseñada para un control de flujo unidireccional seguro en sistemas de tuberías, y presenta extremos con bridas para una fácil instalación y conexiones fuertes y resistentes a fugas. Su mecanismo de giro o elevación evita el reflujo, protegiendo bombas, tuberías y equipos contra daños. Ampliamente utilizado en sistemas de suministro de agua, HVAC, industriales y químicos, garantiza un funcionamiento confiable, reduce el mantenimiento y mantiene un rendimiento estable del sistema.


Parámetro del producto

1. Presión nominal: 1,6 MPa  

2. Medio de trabajo: agua, gases no corrosivos y no inflamables

3. Temperatura de funcionamiento: -20°C ≤ T ≤ 150°C  


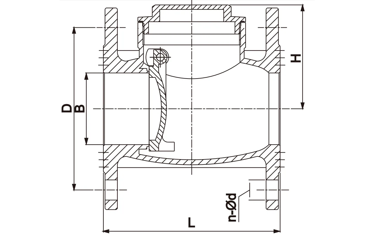
Dimensión del producto

Flanged Check Valve

DN

Largo (mm)

Mmm)

diámetro (mm)

B (mm)

n-⌀d

Peso (g)

40

135

73

110

40

4-18

3893.0

50

143

85

125

50

4-18

5381.0

65

160

95

145

65

4-18

7611.0

80

185

104

160

80

8-18

9445.0

100

210

118

180

100

8-18

12885.0

125

235

133

210

120

8-18

18550.0

150

263

142

240

142

8-23

27000.0


Pautas de instalación

1.Limpie y prepare minuciosamente el sistema de tuberías antes de instalar la válvula.

2.Antes de la instalación, retire las tapas protectoras de los extremos e inspeccione los puertos de la válvula y las superficies de asiento para asegurarse de que estén limpios.

3.Proporcione un soporte adecuado a la válvula para evitar tensiones al conectar las tuberías.

4.Confirme que los valores nominales de presión y temperatura de la válvula sean adecuados para las condiciones de servicio previstas.

5.Antes de poner en servicio la válvula de retención con bridas, ciclela completamente de abierta a cerrada para verificar un funcionamiento suave.

6.Después de la instalación, verifique que la tuerca prensaestopas esté correctamente apretada.


Nota 1: Las válvulas de retención con bridas se pueden instalar en tuberías horizontales o verticales con flujo ascendente, o en orientaciones intermedias, siempre que el pasador de bisagra de las válvulas de retención de tipo oscilante permanezca horizontal. Instale válvulas de retención a una distancia adecuada de las salidas de la bomba u otras fuentes de flujo turbulento. Consulte el boletín técnico correspondiente para obtener más detalles.


Nota 2: Algunas válvulas de retención pueden incluir un embalaje interno para proteger el disco durante el envío. Retire todo el material de embalaje antes de la instalación.


Instrucciones de funcionamiento

Las válvulas de retención con bridas funcionan automáticamente y no requieren intervención manual.


Inspección y mantenimiento

1. Generalmente no se requieren inspecciones de rutina ni mantenimiento preventivo, aparte del ajuste ocasional de la empaquetadura del vástago y el ciclo periódico de la válvula de abierta a cerrada.

2.Si se produce una fuga en la empaquetadura, apriete la tuerca de la empaquetadura en el sentido de las agujas del reloj aproximadamente un cuarto de vuelta (o hasta que la fuga se detenga) para aumentar la presión de sellado en la empaquetadura del vástago. Nunca vuelva a empaquetar una válvula mientras esté bajo presión del sistema.

3. Cuando reemplace el vástago de la válvula, reemplace también el material de empaque.


Piezas de repuesto

En condiciones normales de funcionamiento, rara vez se necesitan piezas de repuesto. Los repuestos recomendados para cada tipo de válvula incluyen: conjunto de disco, soporte y bisagra.

Al pedir piezas, proporcione el número de figura de la válvula, el tamaño, la pieza requerida y la edad aproximada.


Mantenimiento

1.Limpieza periódica. Para evitar la influencia de impurezas y sedimentos en la tubería sobre la válvula de retención, es necesario limpiar periódicamente la válvula de retención horizontal totalmente de cobre y el interior de la tubería.


2.Tenga en cuenta la alternancia de operaciones con agua fría y caliente. Abrir y cerrar con frecuencia la válvula de retención causará daños, por lo que se debe evitar alternar operaciones de agua fría y caliente.


3.Tenga en cuenta la presión. Cuando se utiliza la válvula de retención horizontal totalmente de cobre, se debe prestar atención a la situación de presión dentro de la tubería, ya que una presión excesivamente alta tendrá un efecto adverso en la válvula de retención. En resumen, la válvula de retención horizontal totalmente de cobre es un dispositivo de uso común en sistemas de tuberías y su uso y mantenimiento son muy simples y fáciles. En el uso real, los usuarios deben operar y mantener de acuerdo con los requisitos anteriores para garantizar el efecto de uso.



Etiquetas calientes: Fabricante, proveedor y fábrica de válvulas de retención con bridas de China
Enviar Consulta
Datos de contacto
Si tiene alguna consulta sobre cotización o cooperación, no dude en enviarnos un correo electrónico a zchen@gentantvalves.com o utilizar el siguiente formulario de consulta. Nuestro representante de ventas se comunicará con usted dentro de las 24 horas. Gracias por su interés en nuestros productos.
X
Utilizamos cookies para ofrecerle una mejor experiencia de navegación, analizar el tráfico del sitio y personalizar el contenido. Al utilizar este sitio, acepta nuestro uso de cookies. política de privacidad
Rechazar Aceptar